PT100溫度傳感器原理、故障及其處理方法
一、PT100的原理
基本原理:PT100是電阻時溫度傳感器的一種,電阻式溫度傳感器(RTD,Resistance Temperature Detector)-一種物質材料做成的電阻,它會隨溫度的上升而改變電阻值,如果它隨溫度的上升而電阻值也跟著上升就稱為正電阻系數,如果它隨溫度的上升而電阻值反而下降就稱為負電阻系數。大部分電阻式溫度傳感器是以金屬做成的,其中以鉑(Pt)做成的電阻式溫度檢測器,最為穩定-耐酸堿、不會變質、相當線性,最受工業界采用。
PT100溫度傳感器是一種以鉑(Pt)做成的電阻式溫度傳感器,屬于正電阻系數,其電阻和溫度變化的關系式如下:R=Ro(1+αT)
其中α=0.00392,Ro為100Ω(在0℃的電阻值),T為攝氏溫度,因此鉑做成的電阻式溫度傳感器,又稱為PT100。
R=100(1+0.00392T)-----〉R-100=0.392T-----〉T=(R-100)/0.392
-----〉T=2.551(R-100)
PT100的分度值:鉑熱電阻是利用鉑絲的電阻值隨著溫度的變化而變化這一基本原理設計和制作的,按0℃時的電阻值R(℃)的大小分為10歐姆(分度號為Pt10)和100歐姆(分度號為Pt100)等,測溫范圍均為-200~850℃.10歐姆鉑熱電阻的感溫原件是用較粗的鉑絲繞制而成,耐溫性能明顯優于100歐姆的鉑熱電阻,只要用于650℃以上的溫區;100歐姆鉑熱電阻主要用于650℃以下的溫區,雖也可用于650℃以上溫區,但在650℃以上溫區不允許有A級誤差。100歐姆鉑熱電阻的的分辨率比10歐姆鉑熱電阻的分辨率大10倍,對二次儀表的要求相應地一個數量級,因此在650℃以下溫區測溫應盡量選用100歐姆鉑熱電阻。
感溫元件骨架的材質也是決定鉑熱電阻使用溫區的主要因素,常見的感溫元件有陶瓷元件,玻璃元件,云母元件,它們是由鉑絲分別繞在陶瓷骨架,玻璃骨架,云母骨架上再經過復雜的工藝加工而成。由于骨架材料本身的性能不同,陶瓷元件適用于850℃以下溫區,玻璃元件適用于550℃以下溫區。近年來市場上出現了大量的厚膜和薄膜鉑熱電阻感溫元件,厚膜鉑熱電阻元件是用鉑漿料印刷在玻璃或陶瓷底板上,薄膜鉑熱電阻元件是用鉑漿料濺射在玻璃或陶瓷底板上,再經光刻加工而成,這種感溫元件僅適用于-70~500℃溫區,但這種感溫元件用料省,可機械化大批量生產,效率高,價格便宜。
PT100結構:就結構而言,鉑熱電阻還可以分為工業鉑熱電阻和鎧裝鉑熱電阻。工業鉑熱電阻也叫裝配鉑熱電阻,即是將鉑熱電阻感溫元件焊上引線組裝在一端封閉的金屬管或陶瓷管內,再安裝上接線盒而成;鎧裝鉑熱電阻是將鉑熱電阻元件,過渡引線,絕緣粉組裝在不銹鋼管內再經模具拉實的整體,具有堅實,抗震,可繞,線徑小,使用安裝方便等優點。
二、PT100與PLC模擬量輸入模塊的連接
可以有三種方法來接線電阻溫度計:
? 4 線制連接
? 3 線制連接
? 2 線制連接
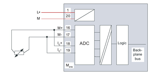
對于 4 線制連接和 3 線制連接,模塊通過端子 Ic+ 和 Ic- 提供恒定電流,這樣可以在測量電路的電壓突降時給予補償。此時必須將恒定電流電纜直接連接到電阻溫度計上。與 2 線制測量相比,使用 3 線制或 4 線制元件補償測量返回的結果更加精確。
電阻溫度計的 4 線制連接:在 M+ 和 M- 的連接處,可以測量電阻溫度計產生的電壓。進行連接時,請觀察 Ic+/M+ 和 Ic-/M- 連接線路的極性,并確保這些線路是直接與電阻溫度計相連接。
電阻溫度計的 3 線制連接:對于 3 線制連接,通常必須在 M- 和 Ic- 之間放一個連接插頭。進行連接時,確保連接線路 Ic+ 和 M+ 直接連接到電阻溫度計。
電阻溫度計的 2 線制連接:對于 2 線制連接,必須在模塊前連接器上的端子 M+ 和 Ic+ 之間插入一個連接插頭,在端子 M- 和 Ic- 之間插入另一個連接插頭。
- 上一篇:壓力傳感器的負壓 2015/10/10
- 下一篇:壓力變送器的輸出毛病如何處理 2015/10/6
