熱電偶測溫系統的設計應用介紹
一、熱電偶傳感器測溫系統的設計應用
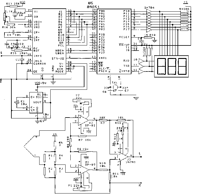
下面介紹一個典型的單片機控制的測溫系統,它由三大部分組成:(1)測量放大電路;(2)A/D轉換電路;(3)顯示電路。它廣泛應用于發電廠、化工廠的測溫及溫度控制系統中。
1、硬件設計
(1) 熱電偶溫度傳感器
本系統使用鎳鉻—鎳硅熱電偶,被測溫度范圍為0~655℃,冷端補償采用補償電橋法,采用不平衡電橋產生的電勢來補償熱電偶因冷端溫度變化而引起的熱電勢變化值。不平衡電橋由電阻R1、R2、R3(錳銅絲繞制)、Rcu(銅絲繞制)四橋臂和橋路穩壓源組成,串聯在熱電偶回路中。Rcu與熱電偶冷端同處于±0℃,而R1=R2=R3=1Ω,橋路電源電壓為4V,由穩壓電源供電,Rs為限流電阻,其阻值因熱電偶不同而不同,電橋通常取在20℃時平衡,這時電橋的四個橋臂電阻R1=R2=R3=Rcu,a、b端無輸出。當冷端溫度偏離20℃時,例如升高時,Rcu增大,而熱電偶的熱電勢卻隨著冷端溫度的升高而減小。Uab與熱電勢減小量相等,Uab與熱電勢迭加后輸出電勢則保持不變,從而達到了冷端補償的自動完成。
(2) 測量放大電路
實際電路中,從熱電偶輸出的信號最多不過幾十毫伏(<30mV),且其中包含工頻、靜電和磁偶合等共模干擾,對這種電路放大就需要放大電路具有很高的共模抑制比以及高增益、低噪聲和高輸入阻抗,因此宜采用測量放大電路。測量放大器又稱數據放大器、儀表放大器和橋路放大器,它的輸入阻抗高,易于與各種信號源匹配,而它的輸入失調電壓和輸入失調電流及輸入偏置電流小,并且溫漂較小。由于時間溫漂小,因而測量放大器的穩定性好。由三運放組成測量放大器,差動輸入端R1和R2分別接到A1和A2的同相端。輸入阻抗很高,采用對稱電路結構,而且被測信號直接加到輸入端,從而保證了較強的抑制共模信號的能力。A3實際上是一差動跟隨器,其增益近似為1。測量放大器的放大倍數為:AV=V0/(V2-V1),AV=Rf/R(1+(Rf1+Rf2)/RW)。在此電路中,只要運放A1和A2性能對稱(主要指輸入阻抗和電壓增益),其漂移將大大減小,具有高輸入阻抗和共模抑制比,對微小的差模電壓很敏感,適宜于測量遠距離傳輸過來的信號,因而十分易于與微小輸出的傳感器配合使用。RW是用來調整放大倍數的外接電阻,在此用多圈電位器。
實際電路中A1、A2采用低漂移高精度運放OP-07芯片,其輸入失調電壓溫漂αVIOS和輸入失調電流溫漂αIIOS都很小,OP-07采用超高工藝和“齊納微調”技術,使其VIOS、IIOS、αVIOS和αIIOS都很小,廣泛應用于穩定積分、精密加法、比校檢波和微弱信號的精密放大等。OP-07要求雙電源供電,使用溫度范圍0~70℃,一般不需調零,如果需要調零可采用RW進行調整。A3采用741芯片,它要求雙電源供電,供電范圍為±(3~18)V,典型供電為±15V,一般應大于或等于±5V,其內部含有補償電容,不需外接補償電容。
(3) A/D(模數)轉換電路
經過測量放大器放大后的電壓信號,其電壓范圍為0~5V,此信號為模擬信號,計算機無法接受,故必須進行A/D轉換。實際電路中,選用ICL7109芯片。ICL7109是一種高精度、低噪聲、低漂移、價格低廉的雙積分型12位A/D轉換器。由于目前12位逐次逼近式A/D轉換器價格較高,因此在要求速度不太高的場合,如用于稱重測壓力、測溫度等各種傳感器信號的高精度測量系統中時,可采用廉價的雙積分式12位A/D轉換器ICL7109。ICL7109主要有如下特性:(1)高精度(精確到1/212=1/4096);(2)低噪聲(典型值為15μVP-P);(3)低漂移(<1μV/℃);(4)高輸入阻抗(典型值1012Ω);(5)低功耗(<20mW);(6)轉換速度最快達30次/秒,當采用3.58MHz晶振作振源時,速度為7.5次/秒;(7)片內帶有振蕩器,外部可接晶振或RC電路以組成不同頻率的時鐘電路;(8)12位二進制輸出,同時還有一位極性位和一位溢出位輸出;(9)輸出與TTL兼容,以字節方式(分高低字節)三態輸出,并且具有VART掛鉤方式,可以用簡單的并行或串行口接到微處理系統;(10)可用RVNHOLD(運行/保持)和STATUS(狀態)信號監視和控制轉換定時;(11)所有輸入端都有抗靜電保護電路。
ICL7109內部有一個14位(12位數據和一位極性、一位溢出)的鎖存器和一個14位的三態輸出寄存器,同時可以很方便地與各種微處理器直接連接,而無需外部加額外的鎖存器。ICL7109有兩種接口方式,一種是直接接口,另一種是掛鉤接口。在直接接口方式中,當ICL7109轉換結束時,由STATUS發出轉換結束指令到單片機,單片機對轉換后的數據分高位字節和低位字節進行讀數。在掛鉤接口方式時,ICL7109提供工業標準的數據交換模式,適用于遠距離的數據采集系統。ICL7109為40線雙列直插式封裝,各引腳功能參考相關文獻。
(4) ICL7109與89C51的接口
本系統采用直接接口方式,7109的MODE端接地,使7109工作于直接輸出方式。振蕩器選擇端(即OS端,24腳)接地,則7109的時鐘振蕩器以晶體振蕩器工作,內部時鐘等于58分頻后的振蕩器頻率,外接晶體為6MHz,則時鐘頻率=6MHz/58=103kHz。積分時間=2048×時間周期=20ms,與50Hz電源周期相同。積分時間為電源周期的整數倍,可抑制50Hz的串模干擾。
在模擬輸入信號較小時,如0~0.5伏時,自動調零電容可選比積分電容CINT大一倍,以減小噪聲,CAZ的值越大,噪聲越小,如果CINT選為0.15μF,則CAZ=2CINT=0.33μF。
由傳感器傳來的微弱信號經放大器放大后為0~5V,這時噪聲的影響不是主要的,可把積分電容CINT選大一些,使CINT=2CAZ,選CINT=0.33μF,CAZ=0.15μF,通常CINT和CAZ可在0.1μF至1μF間選擇。積分電阻RINT等于滿度電壓時對應的電阻值(當電流為20μA、輸入電壓=4.096V時,RINT=200kΩ),此時基準電壓V+RI和V-RI之間為2V,由電阻R1、R3和電位器R2分壓取得。
本電路中,CE/LOAD引腳接地,使芯片一直處于有效狀態。RUN/HOLD(運行/保持)引腳接+5V,使A/D轉換連續進行。
A/D轉換正在進行時,STATUS引腳輸出高電平,STATUS引腳降為低電平時,由P2.6輸出低電平信號到ICL7109的HBEN,讀高4位數據、極性和溢出位;由P2.7輸出低電平信號到LBEN,讀低8位數據。本系統中盡管CE/LOAD接地,RUN/HOLD接+5V,A/D轉換連續進行,然而如果89C51不查詢P1.0引腳,那么就不會給出HBEN、LBEN信號,A/D轉換的結果不會出現在數據總線D0~D7上。不需要采集數據時,不會影響89C51的工作,因此這種方法可簡化設計,節省硬件和軟件。
(5)顯示電路
采用3位LED數碼管顯示器,數碼管的段控用P1口輸出,位控由P3.0、P3.1、P3.2控制。7407是6位的驅動門,它是一個集電極開路門,當輸入為“0”時輸出為“0”;輸入為“1”時輸出斷開,須接上位電路。共用兩片7407,分別作為段控和位控的驅動。數碼管選共陽極接法,當位控為“1”時,該數碼管選通,動態顯示用軟件完成,節省硬件開銷。硬件原理如圖5-12所示。
ICL模塊:從A/D轉換器讀取結果的模塊,它連續讀3次,讀出3個結果分別存放于內部30H~35H單元(雙字節存放)。
WAVE數字濾波模塊:它是將ICL模塊輸出的3個結果排序,取中間的數作為選用的測量值。此模塊可以避免因電路偶然波動而引起的脈沖量的干擾,使顯示數據平穩。
MODIFY模塊:它是補償熱電偶冷端器25℃時的量值,相當于儀表中的零點調到25℃,稱此模塊為零點校正模塊(此溫度為室溫)。
YA查表模塊:它是核心模塊。表格數據是按一定規律增長的數據(0~655℃),表格中電壓值與溫度值一一對應,表格中的電壓值是熱電偶輸出信號乘以放大倍數(150)以后的結果,變成十六進制數進行存放,低位在前,高位在后,因而它的數據地址可以代表溫度值,用查找的內容的地址減去表格首地址0270H后再除以2(雙字節存放)即為溫度值。此數據為十六進制數還需進行二十進制轉換(CLEAN),再送顯示器顯示。
查表法:采用二分查找法,DP先找對半值(MIDDLE)同轉換數據比較(COMPARE),看屬哪一半,修改表格上下限值,再進行對半比較,經過若干次后,直到找到數據為止,如果找不到,也就是說被轉換數據介于表格中兩相鄰值之間,則再調用取近值模塊(NEAR),選擇與被轉換數據接近的那個數據作為查找到的數據,然后調用溫度值模塊(FIND),整個查表模塊就完成了從輸入到輸出的變化。
DIR:采用動態3位顯示,顯示時間由實驗測定,各模塊設計完成后要進行測試,盡量使其內聚性強、模塊間耦合性強,并采用數據耦合。
二、恒溫爐控制器
此恒溫爐主要由液化氣提供熱源,熱效率高,且取暖費用低廉。人工預設加熱溫度值后,控制器能準確地把溫度控制在設定值的±1℃,現場使用方便。其主要性能指標為:溫度可調范圍在10~50℃之間;溫度精度可精確到0.25℃;當環境中的氧含量低于某一值時,控制電路自動關閉加熱爐,等待人工處理。
1、硬件設計
該控制器是以89C51為控制核心,以電磁閥為驅動部件,以及溫度采樣、熱電偶信號采樣、顯示等電
更多優質傳感器來自永陽新能源 http://m.hnhsc.cn/
- 上一篇:數字萬用表使用總結與技巧 2015/3/12
- 下一篇:鉑熱電阻Pt10分度表 2015/3/12
